AutoCAD
שרטוט
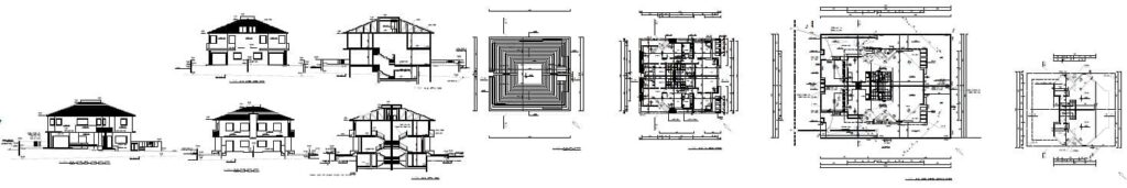
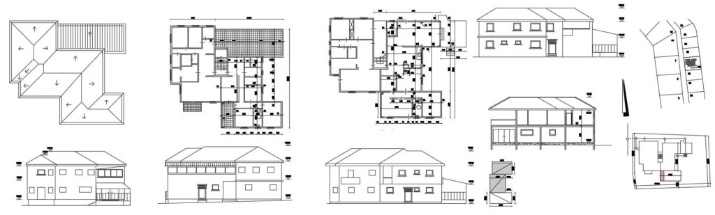
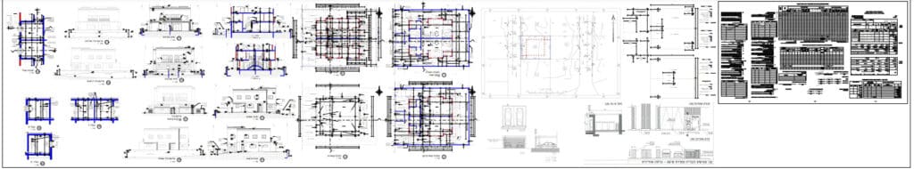
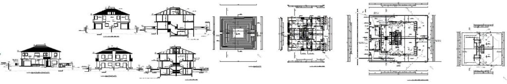
שרטוט גרמושקות מתחלק לשני תחומים: מחשוב גרמושקות מנייר והפיכתם לשרטוט אוטוקד (DWG) ושרטוט גרמושקות חדשות על פי סקיצות והנחיות של האדריכל. אנו מיומנים בשרטוט גרמושקות, מבצעים המון עבודות מסוג זה.








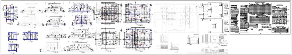
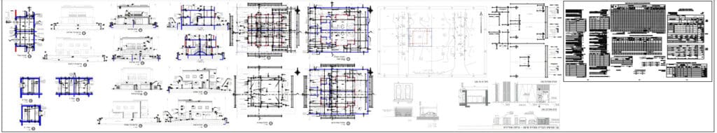
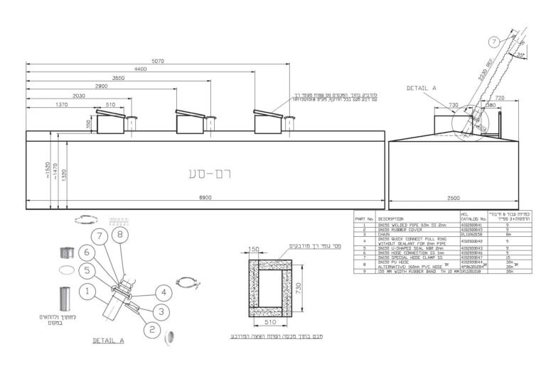
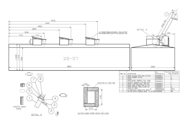
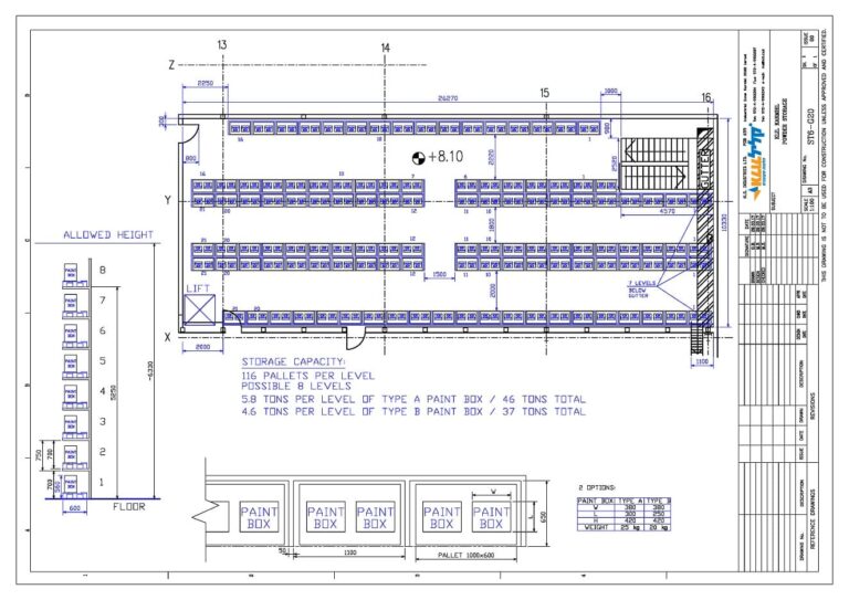
שרטוטי פרטים, שופ דרואינג אלומיניום, תכניות ייצור.





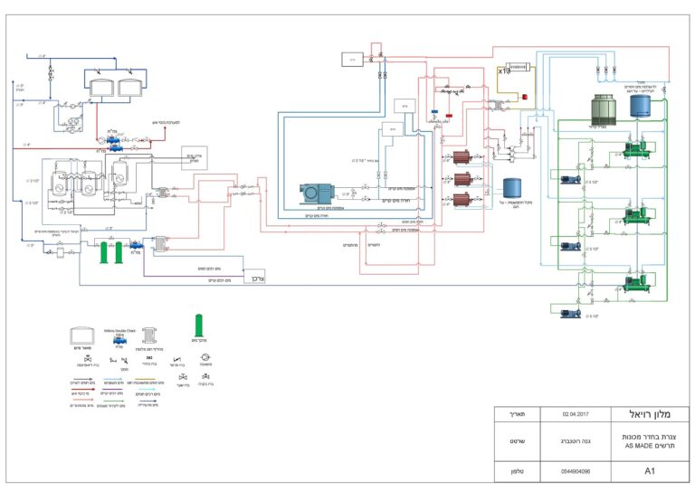
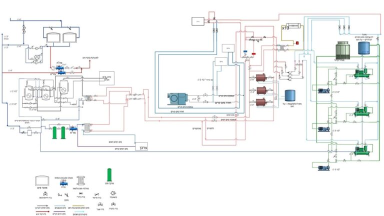
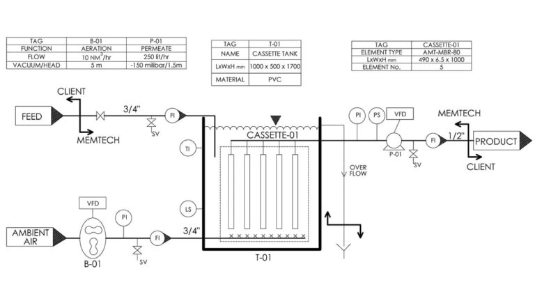
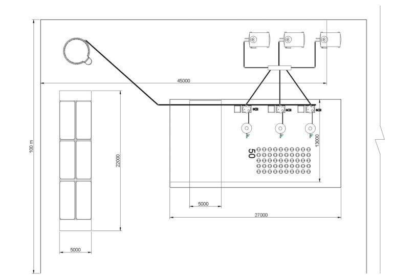
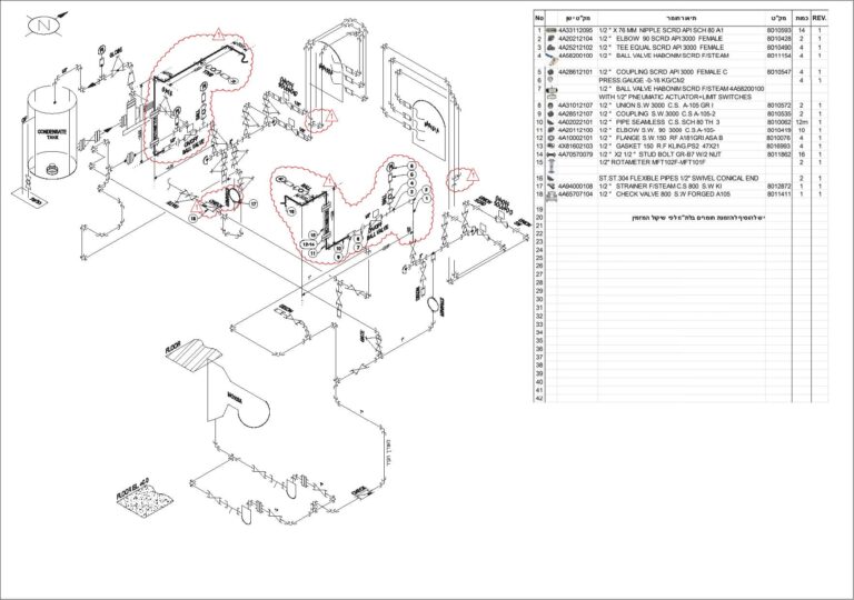
דיאגרמות תהליך, מכשור, צנרת וזרימה (P&ID, PFD), חשמל ואחרות.






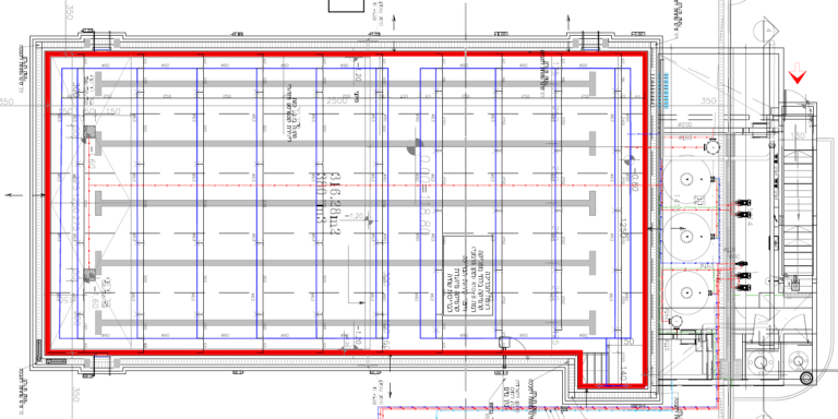
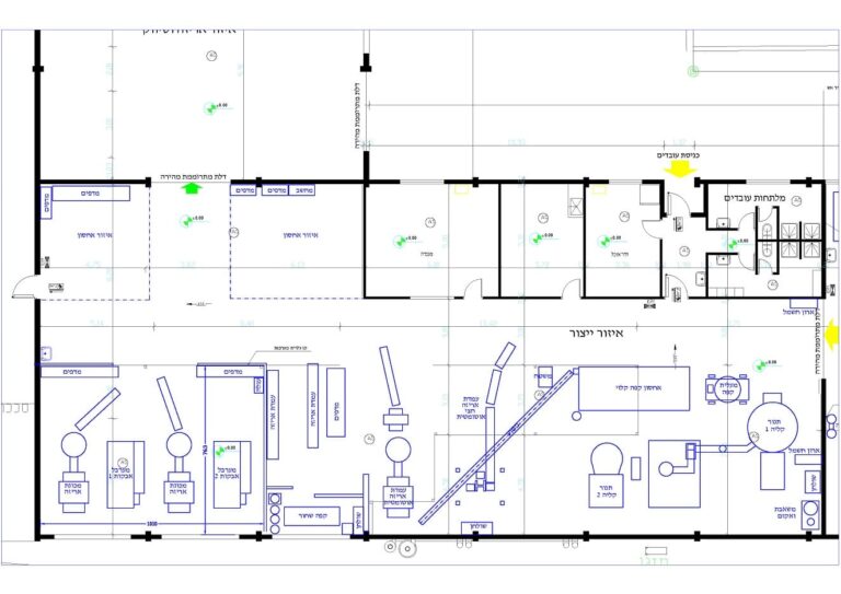
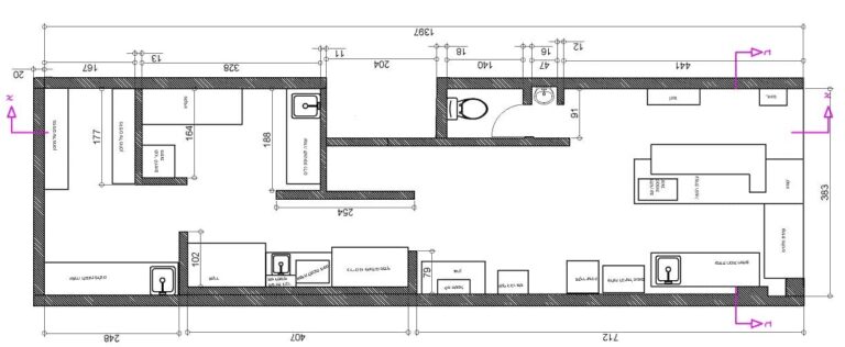
מערכי ציוד במפעלים, בחנויות, משרדים ועוד. תכניות לצורך רישוי עסק. מדידה מבוצעת על ידי מודד מקצועי עם ציוד מתאים. אם יש צורך, מצלמים את המקום עם מצלמה 360 מעלות. עובדים לפי סקיצות של יועצים, מבצעים תכניות כיבוי אש, מיזוג אוויר, אינסטלציה ועוד.












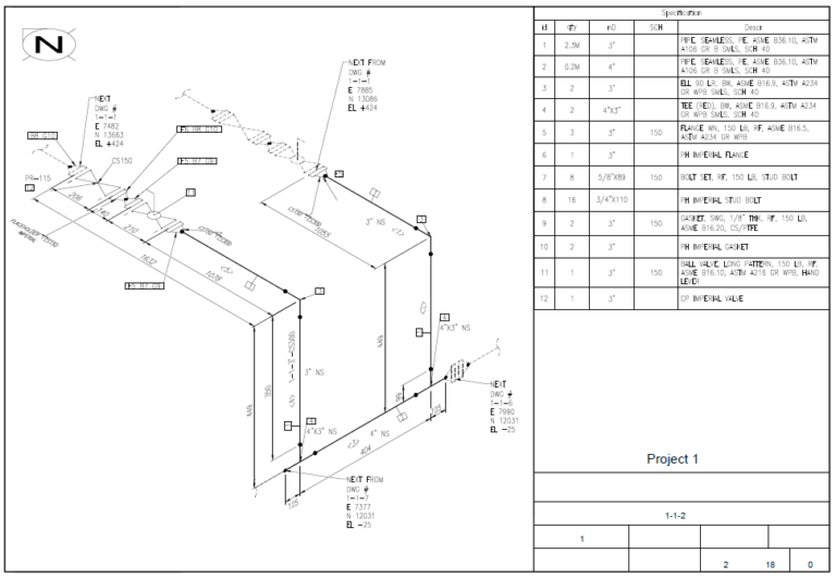
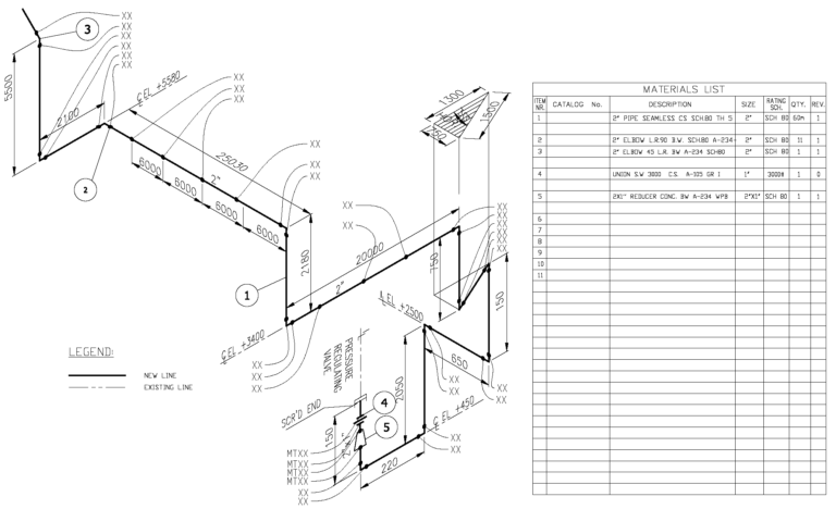
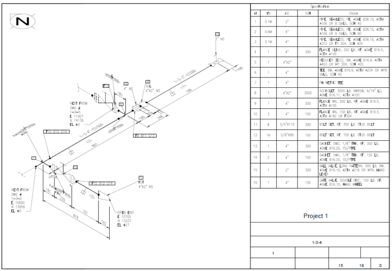
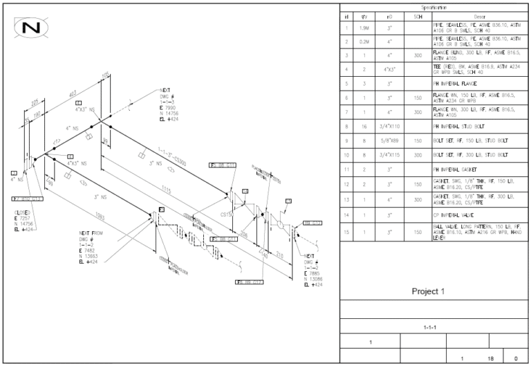
שרטוטים איזומטריים (איזומטריות) צנרת ומכשור. מבצעים או בתוסף ייעודי לאוטוקד שפיתחנו, או בתכנת מקצועית לשרטוט צנרת, כולל רשימות חומרים אוטומטיות.






שרטוטי בטיחות לפי תקנים



