Solidworks
מכלול
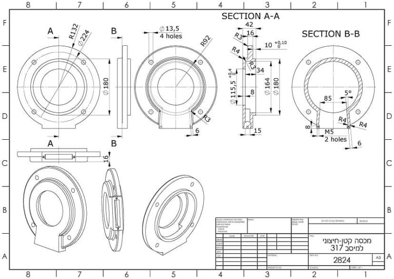
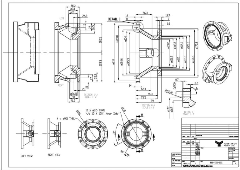
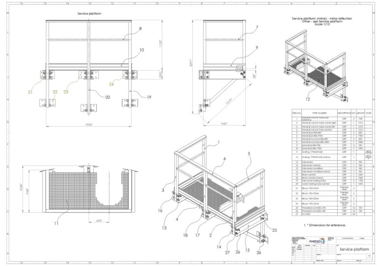
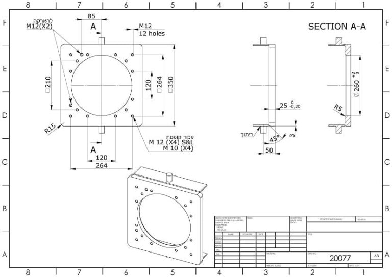
מודל תלת ממדי של מכשיר, ציוד, מכונה, מערכת, קונסטרוקציה הוא לא רק הדמייה. שרטוטים של החלקים, שרטוטי הרכבה, שרטוטי התקנה בשטח, חתכים, מבטים: כולם מופקים ישירות מהמודל התלת ממדי עצמו. ניתן להפיק רשימות חומרים מדויקות ישירות מהמדול.











מודל תלת ממדי מפשט את העבודה עבור המתכנן והמפעל. חוסם כל אפשרות של טעות אנוש, שתמיד קיימת בעבודה עם שרטוט רגיל, במיוחד במודלים מסובכים יותר.




















מודל של חלק או של מכלול מכני נשלח ישירות למפעל וחוסך מהמפעל צורך לבנות מודל בעצמו לצורך עיבוד CNC. מפשט את התקשורת עם המפעל וחוסך טעויות בייצור.










